Dozer Bıçağında Devrim (OPSİYONEL)
Mini ekskavatörünüzü greyder gibi kullanmak TAKEUCHI' de mümkün. Makinanızı yol yapımı, kanal kapama gibi işlerde bir greyder gibi kullanmanızı sağlayan bu sistemi hem orjinal olarak hem de servisimizce sağlanabilmektedir. Bu sistem sayesinde daha az manevrayla çok daha fazla iş yapmanıza olanak sağlayacaktır.
Güç ve Ekonomi
Sınıfının en güçlü, 69,2 HP gücünde Tier3/StageIIIA bakımı kolay ve ucuz Yanmar motor sayesinde 5lt.'den başlayan yakıt tüketimi.
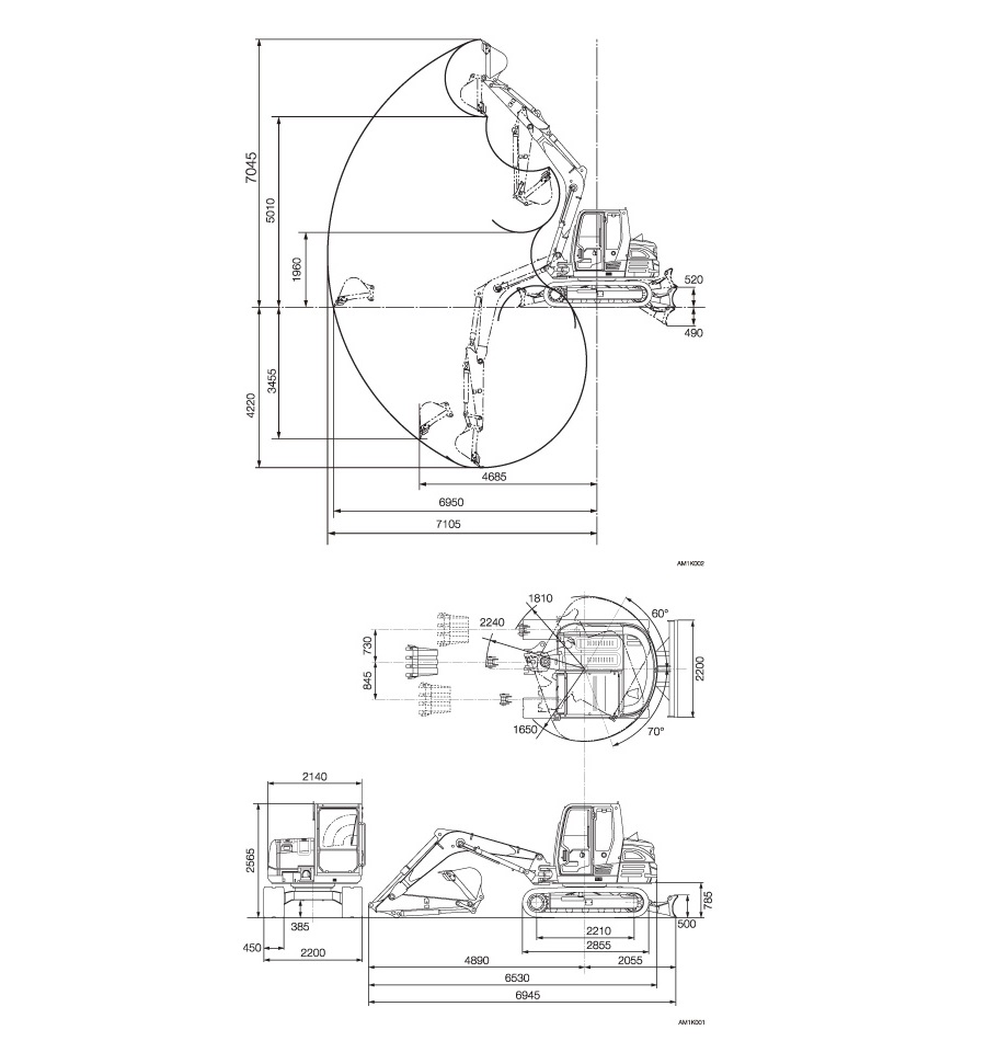
Sınıfının En Yüksek Koparma Gücü ve Kaldırma Kapasitesi
8-9 Ton sınıfında çift kaldırıcı piston olan tek ve rakipsiz mini ekskavatör.
Çalışma kolaylığı
Ayarlanabilir servis akış ayarları bulunmaktadır (Servis port 1: Üç mod akış ayarları, Servis port 2/4: Tek mod akış ayarı). Yük algılama sistemi, kolay kontrol levyesi, değiştirilebilir joystick konfigürasyonu, eko sürüş modu ve otomatik yavaşlama sistemi bulunmaktadır.
Nakliye Kolaylığı
220cm genişliği ile damperli kamyon ve traktör arkası römork ile kolay nakliye imkanı.
HARARET YAPMAZ
TAKEUCHI' ye has yanyana dizilen entegre radyatörler sayesinde hararet yapmadan çalışma keyfi sunar.
Dağ ve Tünel Çalışma Modu
Yüksek rakımlarda ve oksijenin çok düşük olduğu tünel ortamında bayılmadan çalışma komforu.
Operatör Komforu
İklim kontrollü otomatik klima Kendi toplanır emniyet kemeri Bardaklıklar, saklama bölümü ve radyo Mükemmel kabin izolasyonu 6 yöne ayarlanabilir süspansiyonlu koltuk, Üste açılan amortisörlü cam BOM ve ARM tutucu valfler Otomatik palet gerdirme sistemi
Servis Kolaylığı
Amortisörlü, geniş açılır motor ve yan kapaklar Yakıt ve hidrolik sıvıları seviye göstergeleri Aşırı yük, su ayırıcı, klima, akü, soğutucu uyarı lambaları Kilitlenebilir bölümde, kolay ulaşılır yakıt kapağı Otomatik yakıt alma sistemi Otomatik palet gerdirme sistemi
Kauçuk veya çelik palet seçeneğ
Özel TAKEUCHİ dizaynı sayesinde ister çelik ister kauçuk palet kullanılabilmektedir. Aşınmaya dayanıklı ve uzun ömürlü çelik palet yerine istenilen anda kauçuk palet kolayca takılabilir.
Özel TAKEUCHİ kauçuk palet dizaynı
Döküm kauçuk paletlerin merkezindeki çelik kablolar, yüksek torklu planet yürüyüş sisteminin gücünü eşit olarak dağıtarak, makinenin yüksek torkla çalışmasını sağlar. Çelik kablolar paletin, gerilmesini en aza indirir. Çelik Mandraller, palet-makara, palet-rim dişlisi, palet-istikamet arasında metal-metale teması sağlayarak paletlere taş ve molozların verdiği hasarı azaltır.
PALET ATMAZ
Üç flanşlı makaralar eğimli arazide bile palet atma problemlerini ortadan kaldırır. Yağlanmaya gerek duymayan kendinden yağlı çelik makaralar, aşınmaya karşı çok dayanıklı olup çok uzun ömürlüdür.